SALES HOTLINE:86-513-81188234

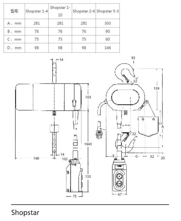
Shopstar electric chain block

Rated load 125 - 500 kg
The lighter electric chain hoist in Yale gourd brand. Compact design and high reliability make shopstar an ideal choice for many light and small lifting and handling applications, including construction, maintenance, etc.
Product features
Standard thermal overload protection device.
The brake adopts a safer normally closed structure. Only when it is powered on, the brake pressure of the spring can be opened by the action of the electromagnetic coil. Even in the case of sudden power failure, it can ensure that the object will not slide freely.
The protection grade of motor is IP54
The working power supply is standard 380v-3-50hz
The 125kg model can also be used for single power supply of 220 v-1-50 Hz, with higher flexibility.
The protection level of control handle is NEMA4.
The safety clutch can prevent the equipment from overloading and prolong its service life.
The body shell is made of solid aluminum alloy, and the granular outer coating protection technology is adopted.
The standard lifting chain has a hard shell and galvanized coating, and the perfect cooperation with the hoist body can ensure smooth and accurate operation.
The special 10 socket design of the pick-up chain wheel provides smooth operation and greatly reduces the wear of the chain.
The material of the upper and lower hooks adopts anti-aging and high toughness alloy steel. In case of overload, the deformation will occur first without breaking up suddenly, which ensures the safety of users.
Product options
High quality stainless steel chain (no influence on rated load)
Durable chain box
Optional manual and electric trolley
Copyright © 2021 Nantong shimai lifting equipment Co., Ltd All rights reserved