SALES HOTLINE:86-513-81188234

Lodestar XL electric chain block

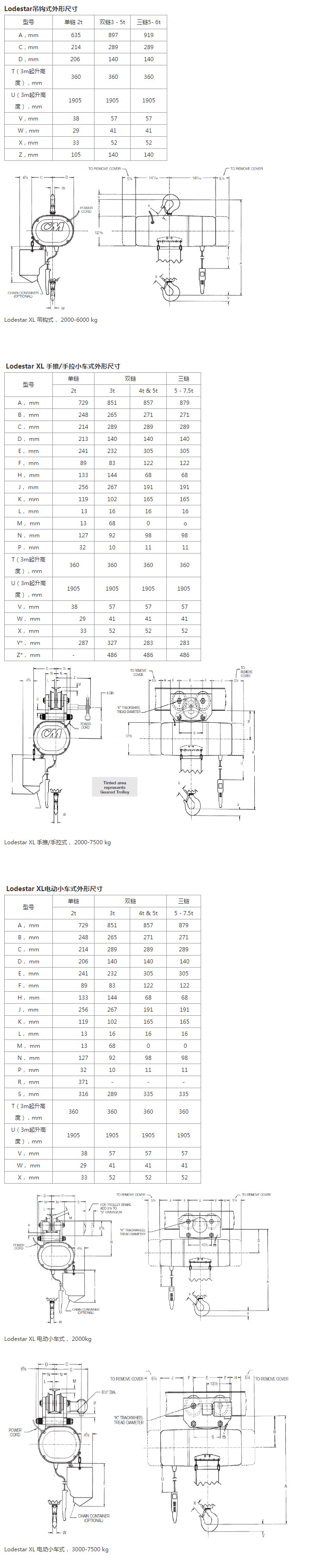
Rated load 2000 - 15000 kg
The lodestar XL electric chain block is designed for heavy industrial applications. Compared with the traditional chain block, it has faster speed, less chain and higher lifting load. No matter in the automobile factory, heavy machinery plant, paper industry, or related harsh working environment, the operator will experience its consistent reliability and versatility.
Product features
Heavy industrial application design, multi disc brake system
The forged ten chain socket can tilt the lifting chain wheel to ensure the smooth operation of the chain, constant lifting speed and reduce chain wear.
Oil bath gear drive improves product life and brings quieter operation experience.
H-4 working level
Equipped with overload protector
Screw type limit switch
Thermal protection motor
Factory test 125% rated load
Product options
Outdoor options (NEMA 3R)
Acid proof options
Chain bag
Car brake
Copyright © 2021 Nantong shimai lifting equipment Co., Ltd All rights reserved