服务热线:0513-81188234
分享到:

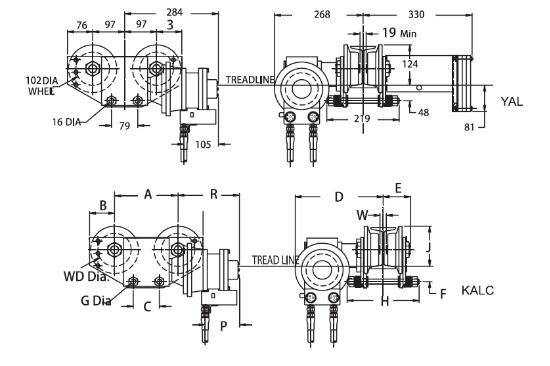
YAL & AirStar & KALC 气动小车

额定载荷 250 - 3000 公斤

产品特性
小车的钢制侧板覆盖车轮位置,在限位位置时保护车轮免受撞击。小车侧板制有螺纹扎,可以安装支架附件。
车轮材质为经过热处理的锻造钢材,弧状轮缘,适合美标锥形工字钢及宽缘工字钢。
车轮轴承选用密闭润滑的滚珠轴承。
垂直布置的摆线减速机通过小齿轮与车轮齿轮啮合。
驱动装置浸润于高质量的润滑油中,可保护齿轮,并使其适应更广泛的温度环境。
8叶片的气动马达可提供高性能转矩,平滑运行及控制。
控制手柄定位准确,负载效率高。
对于危险环境,可提供防火花型。防火花型除拥有具有防火花功能的镀铜车轮外,其他产品特性与普通型无异。  
Copyright © 2021 南通仕迈起重设备有限公司 版权所有    苏ICP备2021004237号-1