服务热线:0513-81188234
分享到:

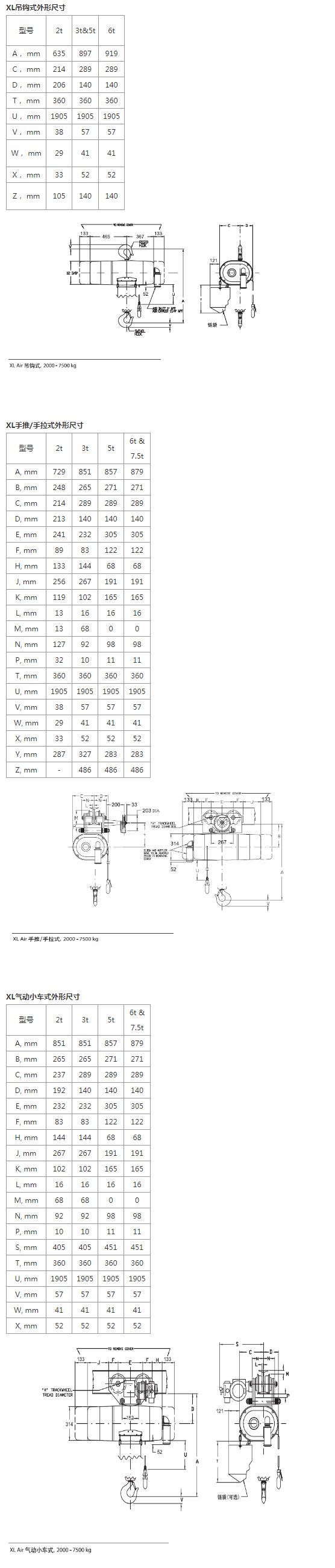
Lodestar Air XL 气动环链葫芦

额定载荷 2000 - 7500 公斤

 Lodestar Air XL型气动环链葫芦系列是您物料搬运的理想选择,可应用于电动葫芦无法操作的环境。Lodestar Air XL型气动环链葫芦系列可提供多种控制速度,比电动葫芦更加节约成本。

产品特性
Lodestar XL型气动环链葫芦的额定载荷高为7.5吨,具有高工作级别和无级变速来精确定位,是不能提供电源的危险环境的理想选择。
可在90 PSI (6.2bar)气压下每分钟运行2.7至9.3米。
采用控制手柄操作,可精细定位。
配有吊钩或吊柄悬挂方式。吊柄悬挂方式可与手推/手拉小车或气动小车搭配使用。
由6叶片组成气动马达具有高扭矩,平稳操作。
采用先导控制阀启动更平稳。
气动马达制动装置可有效控制重物。
采用精细锻压钢的齿轮传动机构经油浸润滑,可更加长久和安静的操作。
采用10窝轮的起升链轮,可更加平稳操作并减少链条磨损。
具有过载保护装置,防止葫芦,操作者等由于过载操作而受到损伤。
可在极高温度下操作-可在高温下操作而无需额外保护。
提侠更高的速度需求-对于速度要求十分苛刻的应用,Lodestar Air XL型气动环链葫芦系列可提供更高的速度。
远离电击危险-气压是气动葫芦的动力来源,因此较之电动葫芦具有远离电击的显著优势。
易于维护-较之电动葫芦没有接触器,变压器,马达组件,保险丝等需要更换配件。只要提供优质气源并润滑,Lodestar Air XL型气动环链葫芦系列是非常易于维护。

产品选项
可选防火花选项一可提供镀铜吊钩,不锈钢安全搭扣和镀质起重链条。  


Copyright © 2021 南通仕迈起重设备有限公司 版权所有    苏ICP备2021004237号-1