服务热线:0513-81188234
分享到:
18930629792
0513-81188234
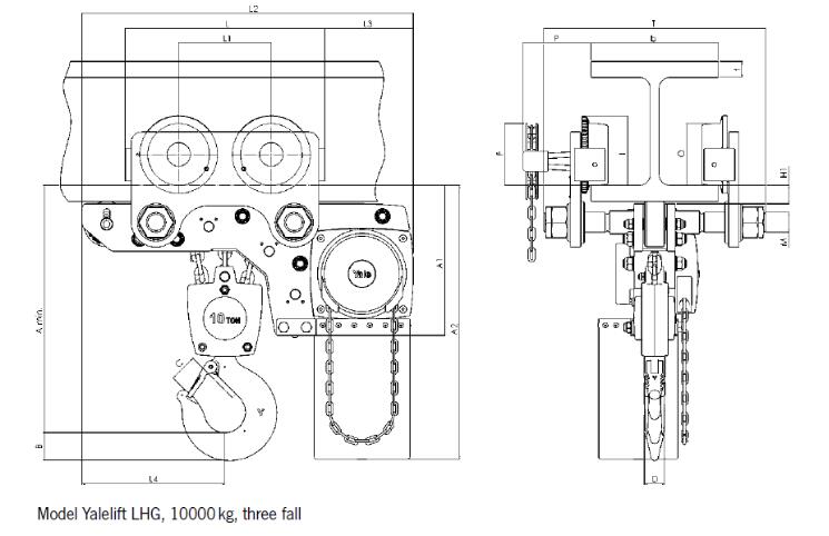
Yalelift LHP/LHG集成低净空小车组合 |
|
|
额定载荷 500 - 10000 公斤 超低净牢的Yalelift LH集成手推或手拉式小午组合是Yale葫芦系列Yalelift IT的升级产品,可适用更低的净空要求。 产品特性 新研发的导链装置可以将起再链从葫芦机体的侧面拉动,几乎可与钢梁拉平使用与Yalelift IT同款集成小车 本系列产品葫芦在额定载荷3000公斤以下的葫芦均采用单链结构 小车安装与调节十分方便,而且可以根据钢梁宽度进行精确的调整 小车可以设置为两种基本标准规格,A型小车适合宽度为180毫米以内的工字钢,同时可以方便转换为B型以适合宽度为300毫米以内的工字钢 小车车轮设计保证比较大的轨道贴合面,而采用润滑处理的密闭滚珠轴承保证了钢质车轮的良好运行 小车标准配置带有防坠落和防倾斜装置 产品选项 过载保护装置 链袋 防腐蚀选项 防爆选项(ATEX) 小车防撞块 小车固定装置,防止意外滑动(特别适合船上使用) ![]() ![]() ![]() ![]() ![]()
|