服务热线:0513-81188234
分享到:
网站首页
关于我们
公司简介
产品中心
起重葫芦
行车及轨道
吊带产品
德国STAHL起重机械
UNICORN手动起重设备
服务与支持
卓越服务
合作客户
我们的客户
行业应用
新闻中心
新闻中心
联系我们
联系方式
ENGLISH
PRODUCTS
主要产品:电动葫芦,气动葫芦,手拉葫芦,进口葫芦,环链葫芦,防爆葫芦,钢丝绳葫芦,铝合金轨道,轻型起重机等
产品展示
Products
起重葫芦
»
手动起重设备
»
电动起重设备
»
气动起重设备
»
钢丝绳葫芦系列
»
防爆起重设备
»
低净空起重设备
行车及轨道
»
铝合金轨道系统
»
刚性轨道系统
»
柔性轨道系统
»
配件
吊带产品
»
起重吊带
»
保护套
»
起重吊带(舞台用)
德国STAHL起重机械
»
环链葫芦
»
钢丝绳葫芦
»
防爆环链葫芦
»
防爆钢丝绳葫芦
UNICORN手动起重设备
»
UCH手拉葫芦
»
UCHEX防爆型手拉葫芦
»
UCHCR防腐型手拉葫芦
»
UCHSS不锈钢手拉葫芦
客服热线:
18930629792
0513-81188234
首页
/
产品展示
/
手动起重设备
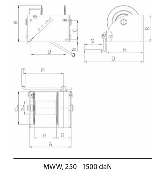
SW-W-SGO 蜗轮驱动手动卷扬机
额定载荷 250 - 5000 公斤
这款配备蜗轮驱动和负载制动器的手动卷扬机能够显现高效的物料提升效果。
产品特性
采用牢固板材材质的外壳和卷筒
采用蜗轮驱动配备负载制动器可安全平稳地提升重物
采用滚轴轴承能确保绳索平滑运行,并延长卷扬机使用寿命
2000公斤以上(含)可实现小吨位负载更快速地起升,使用更小的操作力,达到更快的钢丝绳卷曲速度
大容量卷筒,采用两种钢丝绳进出绳方向
1500公斤以下,可配备可调手摇手柄
安装方便快速
产品选项
防腐蚀选项
卷筒中设置隔板选项,可实现多股绳起升操作
采用开槽卷筒
Copyright © 2021
南通仕迈起重设备有限公司
版权所有
苏ICP备2021004237号-1