服务热线:0513-81188234
分享到:
网站首页
关于我们
公司简介
产品中心
起重葫芦
行车及轨道
吊带产品
德国STAHL起重机械
UNICORN手动起重设备
服务与支持
卓越服务
合作客户
我们的客户
行业应用
新闻中心
新闻中心
联系我们
联系方式
ENGLISH
PRODUCTS
主要产品:电动葫芦,气动葫芦,手拉葫芦,进口葫芦,环链葫芦,防爆葫芦,钢丝绳葫芦,铝合金轨道,轻型起重机等
产品展示
Products
起重葫芦
»
手动起重设备
»
电动起重设备
»
气动起重设备
»
钢丝绳葫芦系列
»
防爆起重设备
»
低净空起重设备
行车及轨道
»
铝合金轨道系统
»
刚性轨道系统
»
柔性轨道系统
»
配件
吊带产品
»
起重吊带
»
保护套
»
起重吊带(舞台用)
德国STAHL起重机械
»
环链葫芦
»
钢丝绳葫芦
»
防爆环链葫芦
»
防爆钢丝绳葫芦
UNICORN手动起重设备
»
UCH手拉葫芦
»
UCHEX防爆型手拉葫芦
»
UCHCR防腐型手拉葫芦
»
UCHSS不锈钢手拉葫芦
客服热线:
18930629792
0513-81188234
首页
/
产品展示
/
手动起重设备
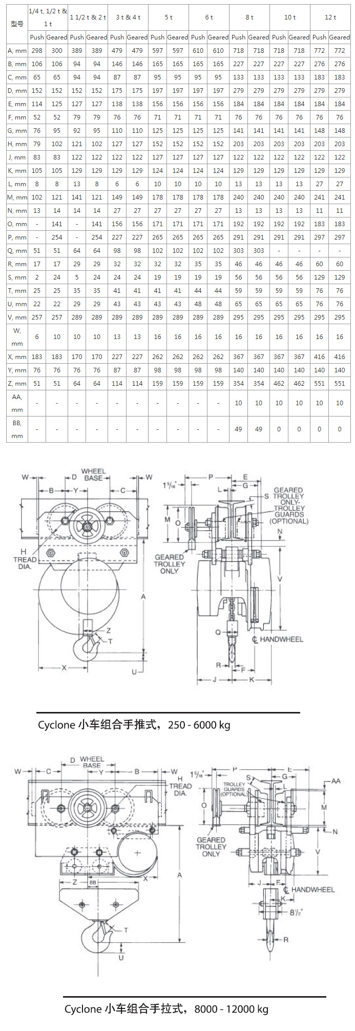
Cyclone集成手推或手拉式小车组合 可选防火花选项
额定载荷 250 - 12000 公斤
这款CM葫芦具有与Cyclone型手拉葫芦相同的质量与性能。Cyclone型小车组合葫芦拥有更加紧凑的外形和低净空小车悬挂方式。
产品特性
采用钢质外壳设计
低净空高度和侧面间隙利于在狭小空间操作
标配带有过载保护器
采用通用小车车轮适用于在各种钢梁上行走
标准手拉链长度小于提升高度0.6米(例如:3米提升高度,于拉链长度为2.4米)
产品选项
链袋
防火花选项(镀锌起重和手拉链条或铝制于拉链,青铜上下吊钩)
带安全锁扣的吊钩
应用于较宽横梁的小车
小车防撞块
Copyright © 2021
南通仕迈起重设备有限公司
版权所有
苏ICP备2021004237号-1