服务热线:0513-81188234
分享到:

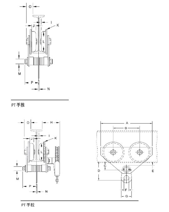
PT 手推式和手拉式小车

额定载荷 250 - 25000 公斤

专为高频使用的工业领域设计,此款小车采用全封闭的精密的轴承,高强度车身和机床加工的车轮。具有更高效,更长久,低维修的特点。

产品特性
额定载荷从0.25至25吨,也可提供30 - 50吨。
3吨及以下载荷小车配备持久润滑的精密轴承小车。4吨及更大吨位的小车配有8个密封锥形滚轴和油脂配件。
车轮一边采用重型钢制侧板,具有更高强度及硬度,对车轮提供额外保护。0.25 - 12吨小车采用通用型胎面适用于平直或锥形横梁。16-25吨小车适用于锥形美国标准横梁。如有特殊横梁需求,请咨询工厂。
小车车轮伞部采用合金材料铸造而成,既有更高强度和使用寿命。
合金车轴与平衡栓经过热处理,提供比较强度及使用寿命。
手拉葫芦型小车采用全机械加工的传动齿轮,并集成防摆动装置,使手链垂直,防止滑链和卡链。
可调整适用于不同宽度的钢梁,对于特殊横梁可咨询丁厂。
美国制造。
可选防火花设计 - 在型号后加上SR标记。
Copyright © 2021 南通仕迈起重设备有限公司 版权所有    苏ICP备2021004237号-1